在 100W~500W 中大功率電源設計中,PFC+LLC 兩級架構 早已成為 TV 電源、LED 照明、PC 電源等領域的主流方案。但傳統方案需要兩顆獨立芯片(一顆 PFC 控制器 + 一顆 LLC 控制器),外圍電路復雜、PCB 面積大、成本居高不下。
今天給大家介紹一款國產重磅芯片——LP9962AA,單芯片集成了 CCM-PFC 控制器 + 高壓半橋 LLC 驅動器,內置 600V 高壓啟動、X 電容放電、自適應死區控制,一顆芯片就能搞定完整的 PFC+LLC 兩級電源,外圍極簡,效率極高。
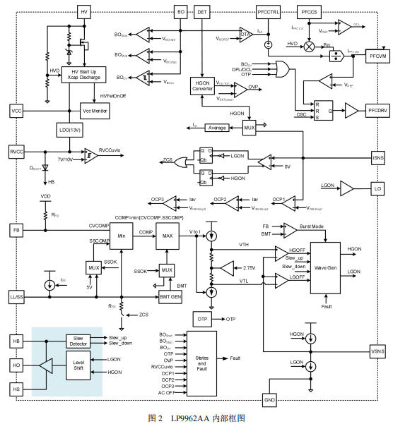
LP9962AA 是一款 全集成 PFC 和高壓半橋驅動的 LLC 諧振控制器,采用 SOP-20 封裝。它的核心亮點可以概括為四個字:高集成、高效率、高可靠、低待機。
| 特性 | 規格 |
|---|---|
| 封裝 | SOP-20L |
| 高壓驅動 | 內置 600V 高壓半橋驅動(HO/HS/LO/HB) |
| PFC 控制 | CCM 平均電流模式,65kHz 最大頻率 |
| LLC 控制 | 模擬雙向電流混合模式,35kHz~1MHz |
| 啟動方式 | 內置高壓啟動,無需外部啟動電阻 |
| 待機功耗 | 特有突發模式,空載待機極低 |
| 保護功能 | OVP/UVP/OCP/OTP/容性區保護/短路保護 |
| X 電容放電 | 內置,符合安規要求 |
| 對比項 | 傳統分立方案 | LP9962AA 單芯片方案 |
|---|---|---|
| 芯片數量 | 2 顆(PFC + LLC) | 1 顆 |
| 高壓啟動電路 | 需外部電阻+穩壓管 | 內置 |
| 半橋驅動 | 需外部驅動芯片或光耦隔離 | 內置 600V 驅動 |
| X 電容放電 | 需額外放電電阻或芯片 | 內置 |
| 死區控制 | 需外部 RC 延時 | 自適應死區 |
| PCB 面積 | 較大 | 縮小 30% 以上 |
| BOM 成本 | 較高 | 降低 20% 以上 |
LP9962AA 采用 SOP-20 封裝,20 個引腳各司其職,覆蓋 PFC 控制、LLC 控制、高壓驅動、保護檢測等全部功能。

| 管腳 | 名稱 | 功能 |
|---|---|---|
| 1 | HV | 高壓啟動腳,連接內部高壓管,實現高壓啟動、AC 電壓檢測、X 電容放電 |
| 3 | VCC | 芯片供電電源,典型工作范圍 12~23V |
| 4 | BO | PFC 輸出電壓反饋,同時也是 LLC 輸入電壓檢測 |
| 5 | FB | LLC 光耦反饋輸入,檢測表征輸出功率的光耦電流 |
| 6 | ISNS | LLC 諧振電流檢測,通過微分器檢測諧振電流 |
| 7 | VSNS | LLC 諧振電容電壓分壓檢測 |
| 8 | DET | LLC 輸出電壓檢測,實現過壓保護、恒流功能 |
| 9 | PFCCS | PFC 電流采樣,提供過流保護、過功率限制 |
| 10 | PFCCTRL | PFC 環路補償腳,外接 RC 補償網絡 |
| 11 | PFCVM | PFC 乘法器輸出,外接電阻設置輸入阻抗 |
| 12 | LL/SS | LLC 軟啟動/突發模式閾值設置 |
| 14 | PFCDRV | PFC 功率 MOS 驅動輸出 |
| 15 | RVCC | 內部 LDO 輸出,為 LLC 低壓端和 PFC 驅動供電 |
| 16 | LO | LLC 低壓端驅動輸出 |
| 18 | HB | LLC 高壓端自舉電源 |
| 19 | HO | LLC 高壓端驅動輸出 |
| 20 | HS | LLC 高壓端浮地 |
LP9962AA 內部集成了完整的 PFC 控制單元、LLC 控制單元、高壓驅動單元和保護邏輯,是一顆真正意義上的 "片上電源系統"。
1. 模擬雙向電流混合控制(LLC 部分)
傳統 LLC 采用電壓模式或電流模式控制,動態響應慢。LP9962AA 采用 模擬雙向電流混合模式:
通過對諧振電容電壓分壓波形疊加固定電流充放電斜波
實現電流雙向檢測,精準判斷諧振電流極性
既保證系統穩定性,又極大改善動態響應
支持 35kHz~1MHz 寬頻率范圍,適配各種變壓器設計
2. CCM 平均電流模式 PFC(PFC 部分)
PFC 采用 CCM(連續導通模式)平均電流控制:
電感電流連續,紋波小,EMI 更易處理
內置乘法器實現高功率因數(PF > 0.95)
支持 跟隨升壓模式(Follower Boost):PFC 輸出電壓隨輸入電壓和負載自適應調整,降低開關損耗
快速動態響應:輸出欠壓時注入 200μA 加速電流,避免 undershoot
3. 自適應死區時間控制
LLC 半橋驅動最怕硬開關。LP9962AA 通過檢測半橋中點(HB-HS)的電壓斜率(dV/dt),自適應調整死區時間:
實時監測高壓端和低壓端 MOS 的開關過程
只有當體二極管導通后才允許下一個 MOS 開啟
確保零電壓開關(ZVS),提升效率,降低 EMI
LP9962AA 的典型應用電路展示了完整的 PFC+LLC 兩級架構:

PFC 級:
前端整流后,LPFC 電感 + PFC MOS + PFC 二極管構成 Boost 拓撲
RSENSE 采樣電阻檢測電感電流,連接 PFCCS 腳
BO 腳通過分壓電阻采樣 PFC 輸出電壓(母線電壓)
LLC 級:
半橋驅動 HO/LO 控制兩個高壓 MOS
諧振網絡由 Lr(諧振電感)、Cr(諧振電容)、Lm(變壓器勵磁電感)組成
ISNS 腳通過 RISNS + CISNS 微分器檢測諧振電容電流
VSNS 腳通過 C1/C2 電容分壓檢測諧振電容電壓
DET 腳通過輔助繞組分壓檢測輸出電壓,實現 OVP
反饋環路:
輸出端光耦連接 FB 腳,實現閉環恒壓控制
FB 電流越大,表示負載越重,芯片提高開關頻率
VCC 旁路:除儲能電解電容外,VCC 腳就近放置 2.2μF 陶瓷電容
RVCC 旁路:4.7μF + 0.1μF 陶瓷電容,盡量靠近 RVCC 腳
VSNS/ISNS:使用 C0G/NP0 陶瓷電容或薄膜電容,保證低失真
FB 走線:盡量短,遠離高壓開關噪聲
BO/DET/ISNS 濾波電容:盡量靠近對應引腳
HV 腳:串聯 5kΩ 電阻限流,不要在 HV 地腳放置電容(寄生電容 < 60pF)
高壓間隙:保持足夠的高壓安全間距
GND 覆銅:大面積覆銅,提供良好散熱和屏蔽
LP9962AA 適用于以下中大功率電源場景:
| 應用 | 功率范圍 | 特點 |
|---|---|---|
| TV 開關電源 | 100W~300W | 高效率、低待機、符合能效標準 |
| LED 照明電源 | 100W~500W | 恒流恒壓、長壽命、高 PF |
| AC-DC 適配器 | 100W~240W | 小體積、高功率密度 |
| PC 電源適配器 | 150W~500W | 高可靠性、低紋波 |
| 工業電源 | 200W~500W | 寬電壓輸入、全保護 |
LP9962AA 是國產電源芯片的一次重要突破,單芯片實現 PFC+LLC+高壓驅動,將原本需要多顆芯片和復雜外圍的電路,精簡到一顆 SOP-20 芯片搞定:
省芯片:1 顆替代傳統 2 顆
省外圍:內置高壓啟動、X 電容放電、自舉二極管
省面積:PCB 縮小 30% 以上
提效率:自適應死區、突發模式、CCM PFC
高可靠:完善的保護機制,容性區保護、過溫保護等
對于 100W~500W 中大功率電源設計,LP9962AA 提供了一個高性價比、高集成度、高性能的解決方案,值得電源工程師重點關注。
如需要 LP9962AA 詳細設計資料、Demo 板、樣品申請或批量價格,歡迎聯系深圳三佛科技。我們提供完整技術支持,價格有優勢~